- 產品展示
-
聯系我們
廣昊安全技術有限公司 地址:浙江省樂清市柳市鎮前州工業區
聯系人:楊先生
銷售熱線:400 9904 119
傳真: 0577-61717197
手機:18305777833
GH-FEP消防設備電源監控系統附件
您的位置:首頁 >> 產品展示 > 消防電源監控系統-
GH-FEP消防設備電源監控系統附件
GH-FEP消防設備電源監控系統附件
產品概述:
- 產品描述
一、產品概述
GHBH-0.66Ⅰ型電流互感器主要用于戶內,供額定電壓為0.66KV及以下,額定頻率為50Hz的交流電路中作為電流、電能測量或繼電保護作用。產品為塑殼式電流互感器,廣泛應用于成套柜體,其安裝方法可采用母排固定和底板固定安裝方法,適用任意方向安裝,一次導線和可為母線或電纜。
二、型號及其含義

三、正常工作和安裝條件
> 安裝場所:戶內。
> 環境溫度:-5℃~40℃。
> 環境濕度:相對濕度不大于80%
> 海拔高度:不超過1000m。
> 大氣條件:大氣中無嚴重污穢。
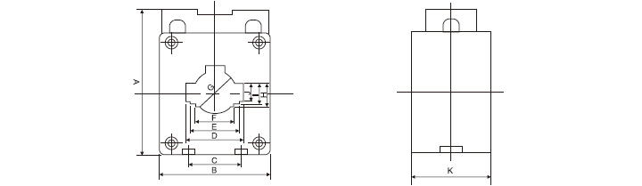
四、技術參數
型號 A B C D H K GHBH-30 79 60 33 30.5 13 36 GHBH-40 97 74.5 44.5 42 42 40 GHBH-50 97 82 50 51.5 18.5 40 GHBH-60 125 102 53 62 23 40 GHBH-80 119 125 53 61 31 40 GHBH-100 130 170 102 105 60 40 GHBH-120 155 170 56 122 51.5 48 五、安裝尺寸
















